|
LFH-I型美標呼吸閥概述: LFH-I型美標呼吸閥用于油及液體罐上,來排除罐內的正壓和負壓氣體,使罐內液體進出方便.如罐體上不裝呼吸閥罐內的液體進出有一定的障礙,很可能出現罐體變型和振動,該產品設計合理,結構簡單,使用方便;是儲罐的必備產品,不可缺少。
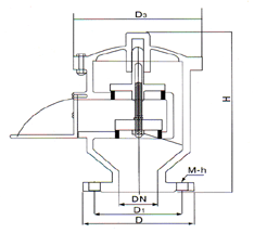
LFH-I型美標呼吸閥性能及特點: ? 新型全天候呼吸閥殼體選用鑄鐵、鑄鋼和鋁合金,耐腐蝕性好; ? 閥盤采用四氟材料,耐低溫,防凍性能好; ? 結構簡單,易檢修,安全方便; ? 新型全天候呼吸閥性能完全符合石油工業部標準 SY7511-87 規定。
LFH-I型美標呼吸閥適用范圍: ? 新型全天候呼吸閥適用于儲存閃點低于 28 ℃的甲類油品和閃點低于 60 ℃的乙類油品,如汽油、笨、甲笨、煤油、輕柴油、機油、原油等油品及性質相同的化工產品儲罐。 ? 可與新型波紋阻火器配套使用。
LFH-I型美標呼吸閥使用說明: 呼吸閥安裝在儲罐頂部,是解決罐內正壓,負壓的氣體,使罐內的液體進出沒有受到阻礙,當外液體輸入罐內時有大量的氣體往外呼(稱正壓)。如罐內液體往外輸出時罐內必須從外空氣吸進罐內(稱負壓)。如停止工作時呼吸閥自動關閉不會把罐內液氣往外泄漏,使罐內的液體質量得到了有利的保障。
LFH-I型美標呼吸閥維護與保養: ? 為了呼吸閥使用安全,在使用前先檢查導桿和閥盤是否靈活。 ? 此閥要定期( 6 個月內)檢查通氣口正、負閥盤是否靈活,閥盤接觸面有無損壞,如有損壞應立即檢修。 ? 檢修完畢后,一切正?芍匦率褂。 |